TATC鑷型烙鐵頭,與MX-500系統和鑷形手柄MX-TALON手柄兼容
| 型號 | 說明 | 跨度(A) |
| TATC-X01 | 精密焊點尖烙鐵頭 | 0.8-9.4mm |
| TATC-X02 | 扁鏟形6.35mm | 0-9.1mm |
| TATC-X03 | 扁鏟形5.75mm | 1.5-10.7mm |
| TATC-X04 | 扁鏟形20.57mm | 2.5-12.0mm |
| TATC-X05 | TSOP 32芯片專用 | 0–19.8mm |
| TATC-X06 | 扁鏟形27.94mm | 0–16.8mm |

X=6為600系列;
| 溫度系列 | 規格 | 無鉛應用 | 此系列能達到的[敏感詞]華氏溫度/攝氏溫度 |
| 600 | TATC-6XX | 溫度敏感 | 675℉/357℃ |
此溫度為參考溫度,實際溫度沒有那么高,以實際溫度為準;
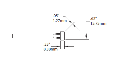
跨度尺寸”A”是指使用鑷形烙鐵頭(TALON)三種[敏感詞]方式時兩個烙鐵頭之間的最小和[敏感詞]距離.
TATC系列鑷型烙鐵頭是鑷形手柄MX-TALON-01的專用烙鐵頭,前提供500和600兩個溫度系列.其獨特的倒角設計使其具有更大適應性和多功能,例如:拆除28管腳的SOIC、0603芯片、鉭電容時不用更換烙鐵頭.該烙鐵頭成對購買.需要注意的是,在操作中請保證引腳與烙鐵頭很好的接觸,以得到更好的熱傳導.
每一個Metcal烙鐵頭都經過特殊設計,可以高效地傳遞能量,也就是說你通??梢杂肕etcal烙鐵在比普通烙鐵低100F或更低的溫度下進行正常的焊接.多數情況下,500系列的烙鐵頭就可以很好地勝任工作.